- Home
- > Valve
- > Marine Valve
DIN Marine Gate Valve
DIN Marine Gate Valve
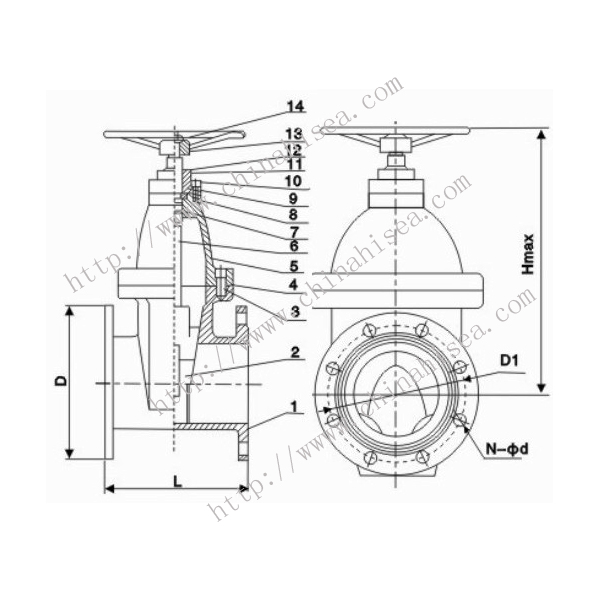
1. Main connection dimensions
|
Diam DN |
CODE Mpa |
Face to face (L)mm |
Flange dia (D)mm |
Pitch D1 mm |
Hole Z-d |
|
DN80 |
1.6 |
203/180 |
200 |
160 |
8*M19 |
|
DN125 |
1.6 |
254/200 |
250 |
210 |
8*M19 |
|
DN150 |
1.6 |
267/210 |
285 |
240 |
8*M19 |
|
DN250 |
1.6 |
330/250 |
405 |
350 |
12*M23 |
|
DN600 |
1.6 |
508 |
840 |
725 |
20*M31 |
2. Main parts material
|
Parts Name |
Marks |
|
Body, Cover |
nodular cast iron |
|
Disc |
NBR |
|
Stem |
Stainless steel |
|
The surface of the valve body
|
Spray paint
|
3. Drawing
Society certificates











CONTACT WITH US NOW