- Home
- > Valve
- > Marine Valve
Marine High Pressure Ball Valve
Marine High Pressure Ball Valve:
1. Detailed Information:
Structure: fixed ball valve
Type (channel position): straight
Standard: GB
Nominal Diameter: 10 (mm)
Working temperature: -15 ℃ ~ +65 ℃
Material: Carbon Steel
Flow direction: Unidirectional
Pressure environment: 31.5MPa
Connection: threaded
Applicable medium: mineral oil, water - glycol and emulsions
Drive: Manual
2. Size of Products: (Chart 1)
|
Model
|
DN
(mm) |
Size |
Weight
(Kg)
|
||||||
|
L1
|
L2
|
L3
|
H
|
D1
|
□S
|
DM
|
|||
|
CJZQ-G6H
|
6
|
100
|
68
|
12
|
76
|
6
|
44
|
M14×1.5
|
0.7
|
|
CJZQ-G8H
|
8
|
100
|
70
|
14
|
76
|
8
|
44
|
M16×1.5
|
1.0
|
|
CJZQ-G10H
|
10
|
130
|
88
|
16
|
86
|
10
|
52
|
M18×1.5
|
1.8
|
|
CJZQ-G15H
|
15
|
130
|
91
|
18
|
90
|
15
|
56
|
M27×2
|
2.0
|
|
CJZQ-G20H
|
20
|
170
|
100
|
20
|
110
|
20
|
65
|
M33×2
|
3.2
|
|
CJZQ-G25H
|
25
|
170
|
111
|
22
|
120
|
34
|
75
|
M42×2
|
4.2
|
|
CJZQ-G32H
|
32
|
210
|
131
|
24
|
135
|
30
|
88
|
M48×2
|
7.6
|
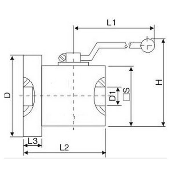
3. Drawing of Marine High Pressure Ball Valve: (Combine with the above size chart 1)
4. Size: (Chart 2)
|
Model
|
DN
(mm) |
Size
|
Weight(Kg)
|
||||||||
|
L1
|
L2
|
L3
|
H
|
D1
|
□S
|
□S1
|
4-M
|
D
|
|||
|
GJZQ-F10H
|
10
|
130
|
70
|
22
|
86
|
10
|
52
|
33
|
M8
|
73
|
2.1
|
|
GJZQ-F15H
|
15
|
130
|
75
|
22
|
90
|
15
|
56
|
36
|
M8
|
78
|
2.7
|
|
GJZQ-F20H
|
20
|
170
|
85
|
22
|
110
|
20
|
65
|
42
|
M10
|
88
|
3.8
|
|
GJZQ-F25H
|
25
|
170
|
96
|
28
|
120
|
24
|
75
|
51.6
|
M12
|
98
|
5.3
|
|
GJZQ-F32H
|
32
|
210
|
106
|
28
|
135
|
30
|
88
|
62
|
M14
|
128
|
7.6
|
|
GJZQ-F40H
|
40
|
210
|
125
|
36
|
142
|
38
|
96
|
66
|
M16
|
130
|
8.3
|
|
GJZQ-F50H
|
50
|
250
|
146
|
36
|
170
|
48
|
120
|
83.4
|
M20
|
156
|
17.0
|
|
GJZQ-F65H
|
65
|
290
|
170
|
45
|
185
|
60
|
135
|
96
|
M22
|
178
|
20
|
|
GJZQ-F80H
|
80
|
290
|
185
|
45
|
210
|
70
|
160
|
113.1
|
M24
|
218
|
46.6
|
5. Drawing of Marine High Pressure Ball Valve: (Combine with the above size chart 2)
Working Theory:
Society certificates











CONTACT WITH US NOW