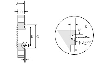
Ring Joint Facings Flanges
Ring Joint Facings Flanges - ASME/ANSI B16.5 & B16.47
Ring Joint Facings Flanges introduction
We provide Ring Joint Facings Flanges in the professional level with high quality and reasonable price, in-time delivery.
Standard:
ANSI B16.5, ANSI B16.47 SERIES A & B, DIN2573, 2572, 2631, 2576, 2632, 2633, 2543, 2634, 2545
Type:
Welding Neck Flange, Slip On Flange, Blind Flange, Socket Welding Flange, Threaded Flange, Reducing Flange, Spectacle Blind Flange, Orifice Flange
Material:
Carbon Steel
ASTM A 105/A105N
Stainless Steel
ASTM A182 F304/304L, F316/316L, F321
Alloy Steel
ASTM A182 F1, F5, F9, F11, F12, F22, F91
Ring Joint Facings Flanges Diameter
Ring Joint Facings Flanges Cooperation
Feel free to contact us for standard Ring Joint Facings Flanges and send us drawings for special designs. All enquiries will receive our high attention.
Society certificates











CONTACT WITH US NOW