- Home
- > Valve
- > Globe Valve
Zero Leakage Stop Valve
Zero Leakage Stop Valve:
1. Brief Introduction:
(1). Applicable Medium: Water, Steam, Oil
(2). Model: SZUJ41LPPR
(3). Nominal Pressure; 1.6 Mpa to 4.0 Mpa
(4). Nominal Diameter: 40-400 DN (mm)
(5). Valve Body: WCB 1Cr18Ni9Ti
(6). Valve Stem: 2Cr13 1Cr18Ni9Ti
(7). Temperature: -29-300 Degree
(8). Sealing Face: LPPR Hard Alloy of Stainless Steel
2. Size:
| Nominal Diameter DN (mm) | 40 | 50 | 65 | 80 | 100 | 125 | 150 | 200 | 250 | 300 | 350 | 400 | 
| Length (mm) | 230 | 230 | 290 | 310 | 350 | 400 | 480 | 600 | 650 | 698 | 787 | 914 | 
| Diameter | 145 | 160 | 180 | 195 | 230 | 245 | 280 | 235 | 405 | 460 | 520 | 580 | 
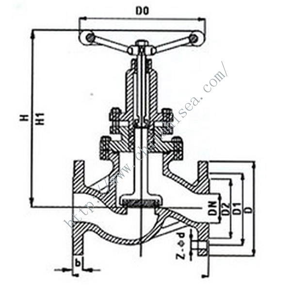
3. Zero Leakage Stop Valve Drawing Picture:
 
 
4. Zero Leakage Stop Valve Right Side Picture:
 
 
5. Zero Leakage Stop Valve In Factory Picture:
 
 
Society certificates
 
 
	










CONTACT WITH US NOW